- トップページ
- ワイヤーナットコネクター/ウイングナットコネクター/セットスクリュー
ねじ込み式ワイヤーコネクターIDEAL
Wire Connectors
ワイヤーコネクター
機器内配線、屋内配線など広範囲の用途に使用され、高い信頼性を獲得しています。
- ワンタッチねじ込み式ワイヤーコネクターです。
- 米国U.L/カナダC.S.A.規格認定品です。
- 単線と撚り線の接続もOKです。
- 振動などによるゆるみはありません。
- 欧米では一般家庭でも使用される工具いらずの”ねじ込み式”コネクター。
- 一種類のコネクターで様々な電線サイズの組み合わせの接続ができます。
- 接続後の引っ張り強度は、AWG16線で30ポンド。
※接続する線と線の先端は必ず揃えてからコネクターにねじ込んでください。その際線と線を撚らないでください。
より確実に、簡単に接続作業ができるオプションパーツ
■AWG(アメリカンワイヤーゲージ)線号表(換算表)
| AWG | 12 | 13 | 14 | 15 | 16 | 17 | 18 | 19 | 20 | 21 | 22 |
|---|---|---|---|---|---|---|---|---|---|---|---|
| 直径(mm) | 2.053 | 1.828 | 1.628 | 1.45 | 1.291 | 1.15 | 1.024 | 0.912 | 0.812 | 0.723 | 0.644 |
| 断面積(mm2) | 3.309 | 2.624 | 2.081 | 1.65 | 1.309 | 1.037 | 0.823 | 0.653 | 0.517 | 0.411 | 0.326 |
ワイヤーナットコネクター
ワイヤーナットコネクター
71B:30-171/72B:30-272TI/73B:30-273/74B:30-274/76B:30-276/71B(51):30-151/72B(52):30-152TI/73B(53):30-153
より確実な接続を可能にするスプリング内蔵タイプ。
- AWG8~22の範囲で組み合わせ可能
- 米国U.L./カナダC.S.A.規格認定品
- 全8種
※接続する線と線の先端は必ず揃えてからコネクターにねじ込んでください。その際、線と線を撚らないでください。
|
■耐熱105°C
|
RoHS適合 |
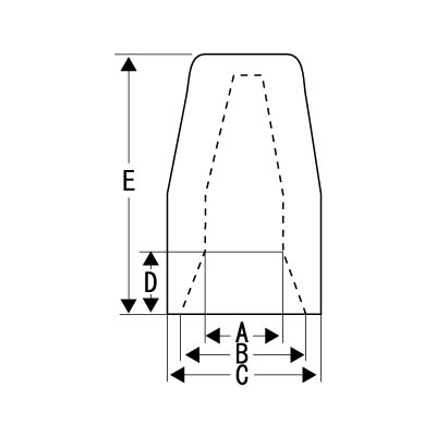
| モデル | 型式 | 色 | ワイヤー組合せ例と範囲 AWG 銅線/銅線の接続のみ |
各種寸法 mm | 耐熱 ℃ |
定格 V |
線の剥離長さ (目安) |
最少 ロット |
||||
|---|---|---|---|---|---|---|---|---|---|---|---|---|
| A | B | C | D | E | ||||||||
| 71B | 30-171 | 灰 色 |
20~16AWG 最少:2本×#22 最大:2本×#16 |
4 | 6.5 | 8 | 4.5 | 15 | 105℃ | 300V | 単線:6mm 撚線:8mm |
1000 |
| 72B | 30-272TI | 青 色 |
22~14AWG 最少:2本×#22 最大:3本×#16 |
4.5 | 7 | 10 | 4.5 | 18 | 105℃ | 300V | ≤#16AWG:13mm その他:9.5mm |
500 |
| 73B | 30-273 | 橙 色 |
22~14AWG 最少:1本×#18&1本×#20 最大:2本×#14 |
4.5 | 9 | 11 | 8 | 22 | 105℃ | 600V | ≤#16AWG:9.5mm その他:8mm |
500 |
| 74B | 30-274 | 黄 色 |
18~12AWG 最少:2本×#18 最大:4本×#14&1本×#18 |
6.5 | 11 | 14 | 8 | 24 | 105℃ | 600V | ≤#16AWG:11mm その他:9.5mm |
500 |
| 76B | 30-276 | 赤 色 |
18~6AWG 最少:2本×#14 最大:4本×#12 |
7 | 14 | 17 | 7 | 27 | 105℃ | 600V | ≤#16AWG:13mm その他:11mm |
250 |
型式変更になりました。旧:30-272→現:30-272TI
■耐熱150°C
|
RoHS適合 |
| モデル ※ | 型式 | 色 | ワイヤー組合せ例と範囲 AWG 銅線/銅線の接続のみ |
各種寸法 mm | 耐熱 ℃ |
定格 V |
線の剥離長さ (目安) |
最少 ロット |
||||
|---|---|---|---|---|---|---|---|---|---|---|---|---|
| A | B | C | D | E | ||||||||
| 71B (51) |
30-151 | 黒 | 22~16AWG 最少:2本×#22(より線) 最大:2本×#16 |
4 | 6.5 | 8 | 4.5 | 15 | 150℃ | 300V | 単線:6.4mm 撚線:7.9mm |
1000 |
| 72B (52) |
30-152TI | 黒 | 22~14AWG 最少:2本×#22 最大:3本×#16 |
4.5 | 7 | 10 | 4.5 | 18 | 150℃ | 300V | 単線:9.5mm 撚線:9.5mm |
500 |
| 73B (53) |
30-153 | 黒 | 22~14AWG 最少:1本×#18w/1本×#20 最大:2本×#14 |
4.5 | 9 | 11 | 8 | 22 | 150℃ | 600V | 単線:7.9mm 撚線:7.9mm |
500 |
※表のモデルの( )内は旧モデル番号です。
型式変更になりました。旧:30-152→現:30-152TI
ウイングナットコネクター
ウイングナットコネクター
451:30-451/452:30-452/454:30-454
ウイングデザインにより 確実な接続を可能にする スプリング内臓タイプ。
- AWG16~18の範囲で組み合わせ可能
- 米国U.L./カナダC.S.A.規格認定品EU CE企画認定品
- 全3種
|
RoHS適合 |
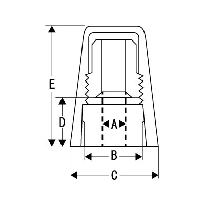
| モデル | 型式 | 色 | ワイヤー組み合わせ例と範囲 AWG 銅線/銅線の接続のみ |
各種寸法 mm | 耐熱 ℃ |
定格 V |
線の剥離長さ (目安) |
最少 ロット |
||||
|---|---|---|---|---|---|---|---|---|---|---|---|---|
| A | B | C | D | E | ||||||||
| 451 | 30-451 | 黄 色 |
18~10AWG 最少:2本×#18 最大:3本×#12 |
6 | 9 | 18 | 8 | 26 | 105℃ | 600V | 9.5mm | 100 |
| 452 | 30-452 | 赤 色 |
18~8AWG 最少:2本×#18 最大:4本×#10 |
8.5 | 12 | 24 | 8 | 31.5 | 105℃ | 600V | 13mm | 100 |
| 454 | 30-454 | 青 色 |
14~6AWG 最少:3本×#12 最大:1本×#6w/2本×#8 |
11 | 16 | 30 | 10.5 | 37.5 | 105℃ | 600V | 23mm | 25 |
セットスクリューコネクターSet-Screw Connectors
セットスクリューコネクター
10/11/22
振動、熱に強く、割れにくいプラスチック製のキャップと、より確実にカシメるスクリューのセット。
- 単線同士の太線に最適です
- 取り外しができ、再使用ももちろん可能です。
- 振動などによるゆるみはありません。
- 米国U.L./カナダC.S.A.規格認定品
※銅線と銅線のみの接続にご使用ください。
※接続する線と線の先端は必ず揃えてからコネクターに挿入してください。その際、線と線を撚り合わさらないでください。
|
RoHS適合 |
| モデル | 型式 | ワイヤー組み合わせ例と範囲 AWG 銅線/銅線の接続のみ |
各種寸法 mm | 耐熱 温度 |
定格 電圧 |
最少 ロット |
||||
|---|---|---|---|---|---|---|---|---|---|---|
| A | B | C | D | E | ||||||
| 10 | 30-210 | 22~10AWG 最少:1本×#20w/1本×#22 最大:2本×#14w/1本×#16 |
3.17 | 7.93 | 12.7 | 7.54 | 17.85 | 150℃ | 300V | 100 |
| 11 | 30-211 | 22~10AWG 最少:1本×#14w/1本×#20 最大:3本×#14w/2本×#18 |
4.76 | 9.52 | 13.09 | 10.31 | 25 | 150℃ | 600V | 100 |
| 22 | 30-222 | 20~10AWG 最少:1本×#16w/3本×#18 最大:2本×#10w/1本×#12 |
6.35 | 12.7 | 17.46 | 10.31 | 25.79 | 150℃ | 600V | 100 |
より確実に、簡単に接続作業ができるオプションパーツAccessories
セットスクリューコネクターホルダー
Set Screw Connector Holder
K-2422

| 型式 | 対応するセットスクリューコネクターの型式 |
|---|---|
| K-2422 | 30-210(10) 30-211(11) 30-222(22) |
ソケット(トルクドライバー用)
Socket(for torque Driver)
30-904/30-906
| 型式 | 対応するオールプラスチックコネクター& ワイヤーナットコネクターの型式 |
|---|---|
| 30-904 | 30-273(73B)、30-153(73B(53)) |
| 30-906 | 30-274(74B)、30-276(76B) |









